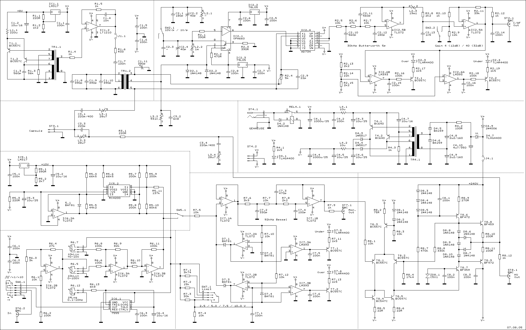
Signal Source
Square Root Circuit
Limiter/Low Pass Filter
High Voltage Amplifier
2 MHz Signal Source
Current Measurement, Detector and Output Amplifier
Frequency Splitter
Power Supply
Prototype Board
To be improved
There is nothing special to tell. The square wave is generated by a 7555 timer operating with a supply of 10 V and thus generating exactly this voltage as output voltage.
With the single quadrant multiplier (RC4200, Fairchild, obsolete) the two quadrant square root circuit is formed. 10 V of input voltage is converted to 10 V output exactly (2.5 V to 5 V, 1 V to 3.16 V, 0.1 V to 1 V etc..).
The signal is limited to a lower limit of 0 V and a switchable limit of 2.5, 5, 0.75 or 10 V. Two comparators and associated LEDs indicate when the limits are reached. It turned out to be helpful to adjust the input signal to a maximum amplitude (lin or sqrt) by just observing these LEDs.
In order to prevent the output amplifier from high frequencies (or fast transients resp.) a 92 kHz Bessel low-pass filter is provided.
This amplifier has a gain of 20 so that the nominal input voltage of 10 V becomes 200 V. The full power bandwidth with an output load of 300 pF is 400 kHz approx. and thus sufficient for all important harmonics when the square root of a 20 kHz AF-signal has to be amplified to 200 Vpp. The output is current limited to a few mA and short circuit proof.
The oscillator is a sine wave push-pull oscillator. This kind of circuit has a low output impedance and generates an output amplitude which is quite exactly depending on the supply voltage only. This makes the circuit nicely "predictable" and this is why it operates with its own regulated power supply of 8 V. Though its low output impedance it is still buffered because the measuring voltage not only has to have a low impedance, but a very low impedance so that high currents through the measured capacitor do not alter the voltage unacceptably.
In order to allow the measured capacitance (capsule) to be connected to ground the measuring voltage is galvanically decoupled by a transformer which allows not only the current measuring circuit to be ground referenced too but also the introduction of a variable compensation capacitor (0 - 390 pF) so that a wide range of null adjustment is possible.
Current measurement is performed ground referenced by a so-called "diamond transistor" (OPA660, Burr-Brown, obsolete). The current flowing in its low-impedance input (emitter) is reflected at the (collector) output and is independent of the voltage there. Actually this a current controlled current source, similar to a current mirror. The output current is converted to a voltage by a switchable capacitance so that two different sensitivity ranges are available. An inductor with an XL much larger than XC is needed for a minor DC-bias current and reduces low frequency noise.
A synchronous rectifier, i. e. a multiplier (AD734, Analog Devices), detects or demodulates the signal. Its output voltage is a 4 MHz sine wave and can swing between +/-5 V (negative, when the variable compensation capacitor is set up accordingly high), and its mean value (DC portion) can be up to +/-2.5 V. Therefore after an AF low-pass filter an amplifier with a switchable gain of 4 or 40 is foreseen, so that in either case an output range of +/-10 V is achieved.
The 2 MHz measuring voltage must not arrive at the HV-amplifiers output as, due to the dynamical changes of the amplifiers output parameters, it would be influenced in phase and amplitude there and reflected back to the detector falsify measured signals there. Likewise, the high-voltage AF-signal from the HV-amplifier must not arrive at the detector circuit as due to non ideal operation, it might directly propagate trough it and falsify the results, too. This frequency splitter turned out to be very crucial and currently is implemented by two series resonant and two parallel resonant circuits. Nevertheless, it seems that something must be improved here. It looks like the high voltage transients alter capacitive or inductive values so that there is still an unacceptable crosstalk from the HV-output through the detector to the AF-output.
The circuit is operated with an external voltage of +12 V, and internal voltages of (close to) -12 V and +240 V are produced by a conventional push-pull DC-to-DC-converter capable of 2.5 W approx..
A supply of 12 V is actually a little bit narrow: As nominal voltages of 10 V are used the 10 V-regulators and the op amps (TL072) are hardly able to deliver this voltage. 12.0 V in the prototype are fine, but with 11.9 V it does not work properly any more.

The circuit is build on a square-pad board. It is not shown in its enclosure. One can see:
Rear, from left to right: DC-to-DC converter, high-voltage amplifier and 2 MHz generator.
Front: Input amplifier, square root circuit, square wave generator, filter and limiter. The frequency splitter is easy to spot. On the right the current measuring circuit, multiplier, AF-filter output amplifier and overdrive detector are located.
The big variable capacitor is the compensation capacitor, of course.
As mentioned, there is still a serious kind of "crosstalk" for high AF-frequencies, presumably because the the frequency splitter is still inadequate. Non ideal component behavior my be the case as well as simple capacitive crosstalk between parts of circuit. I observed strange and contradictory effects and - up to now - I did not invest too much time and consequently have no idea what's going on there.
All circuit blocks are placed in a way that allows to shield them from each other quite easily. Maybe this should be the next attempt.
Another issue is a zero drift of the measured capacitance of few tens of a pF. Up to now I found the temperature drift of severeral capacitors to be its cause. I was able to improve it, but up to now, I'm not through (I ran out of coolant spray...).
Should I do this once more, I'd go another way. Particularly for the capacitance measurement concept something different is advisable. I do have ideas, but that's another chapter. So far, I believe, my success is quite satisfying.
| Last update: October 13th, 2015 |
|
Uwe Beis |